Högkvalitets vevaxel slutkontrollerad och finkalibrerad (riktad) i Sverige.
Riktning, (balans mellan halvorna, bild 3 ): max kast (run out)= <0,03/sida.
I viktförhållandet mycket väl balanserad vevaxel för optimal funktion och ytterst lite vibrationer, i synnerhet vid användning tillsammans med NTS kolvar.
Levereras komplett med nållager för kolvbulten.
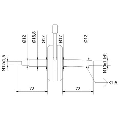
Tekniska data:
Nållager: 14x18x13 (för 14mm kolvbult) (595588)
Kona för svänghjul: Konicitet 1:5 (ingångsdiameter ~12mm)
Gänga svänghjulsida: M10x1 vänstergängad
Gänga transmissionssida: M12x1,5
Krysskil, svänghjul: 3×3,7 (590200)
Krysskil, transmissionsdrev: 3×3,7
Slaglängd: 44mm
Passar till följande motorer:
506/4 AKF
Ersätter originalnummer: 0288 101 402 (0288 101 302)














