Högkvalitets vevaxel slutkontrollerad och finkalibrerad (riktad) i Sverige.
Riktning, (balans mellan halvorna, bild 3 ): max kast (run out)= <0,03/sida.
I viktförhållandet mycket väl balanserad vevaxel för optimal funktion och ytterst lite vibrationer, i synnerhet vid användning tillsammans med NTS kolvar.
Levereras komplett med nållager för kolvbulten.
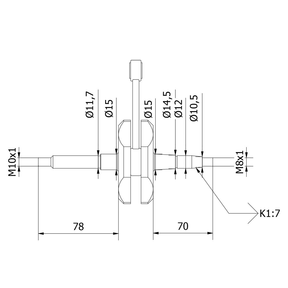
Tekniska data:
Nållager: 12x15x14 (för 12mm kolvbult) (590955)
Kona för svänghjul: Konicitet 1:7 (ingångsdiameter ~10mm)
Gänga svänghjulsida: M8x1
Gänga transmissionssida: M10x1
Krysskil, svänghjul: 2×3,7
Slaglängd: 44mm
Ersätter originalnummer: 0288 112 102




















