Högkvalitets vevaxel slutkontrollerad och finkalibrerad (riktad) i Sverige.
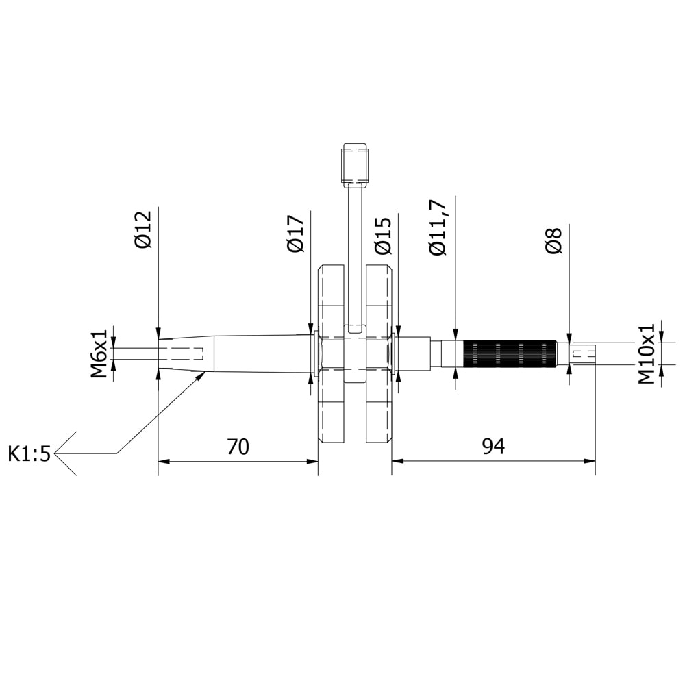
Riktning, (balans mellan halvorna, bild 3 ): max kast (run out)= <0,03/sida.
I viktförhållandet mycket väl balanserad vevaxel för optimal funktion och ytterst lite vibrationer, i synnerhet vid användning tillsammans med NTS kolvar.
Levereras komplett med nållager för kolvbulten.
Tekniska data:
Nållager: 12x15x14 (för 12mm kolvbult) (590955)
Kona för svänghjul: Konicitet K1:5 (ingångsdiameter ~12mm)
Gänga transmissionssida: M10x1
Krysskil, svänghjul: 3×3,7 (590200)
Slaglängd: 42mm
Passar till:
Modeller med el-start.
50/ADL X, 50/AMAL X, 50/AMLR S, 50/AMLR X
Ersätter originalnummer: 0288 107 209














