Högkvalitets vevaxel slutkontrollerad och finkalibrerad(riktad) i Sverige.
Riktning, (balans mellan halvorna, bild 5 ): max kast (run out)= <0,03/sida.
I viktförhållandet mycket väl balanserad vevaxel för optimal funktion och ytterst lite vibrationer, i synnerhet vid användning tillsammans med NTS kolvar.
Levereras komplett med nållager för kolvbulten.
Tekniska data:
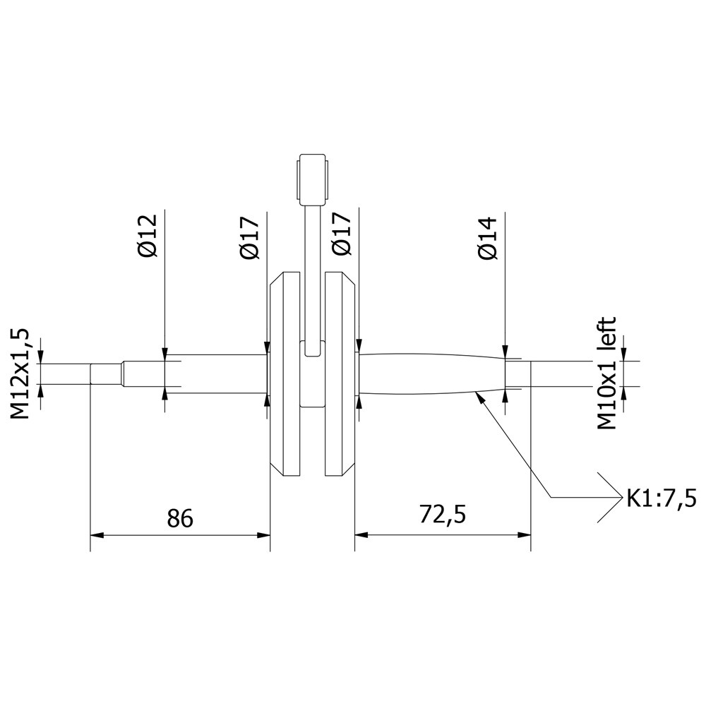
Nållager: 14x18x13 för 14mm kolvbult (595588)
Kona för svänghjul: Konicitet 1:7,5 (ingångsdiameter ~14mm)
Gänga svänghjulsida: M10x1 vänstergängad
Gänga transmissionssida: M12x1,5
Krysskil, svänghjul: 3×3,7 (590200)
Krysskil, transmissionsdrev: 3×3,7
Slaglängd: 44mm
Avsedd för generator:
Bosch: 0 212 124 014 (F&S 0283 100 402) 6V 35-5/18W
Bosch: 0 212 124 015 (F&S 0283 100 400) 6V 25-4/5W
Bosch: 0 212 124 027 (F&S 0283 100 500) 6V 25-4/5W
Motoplat: 9600 150 (F&S 0283 123 001) 6V 25-4/5W
Motoplat: 9600 166 (F&S 0683 006 004) 6V 35-5/21W
NTS: K-4047
Originalmonterades enligt följande:
fr.o.m motor nr. 6817 736- (motorer med gjutjärnscylinder)
fr.o.m motor nr. 6985 353- (motorer med alu-cylinder)
Ersätter originalnummer: 0288 104 207, (0288 104 100)




















