Högkvalitets vevaxel slutkontrollerad och finkalibrerad (riktad) i Sverige.
Riktning, (balans mellan halvorna, bild 3 ): max kast (run out)= <0,03/sida.
I viktförhållandet mycket väl balanserad vevaxel för optimal funktion och ytterst lite vibrationer, i synnerhet vid användning tillsammans med NTS kolvar.
Levereras komplett med nållager för kolvbulten.
Passar 2-växlade modeller.
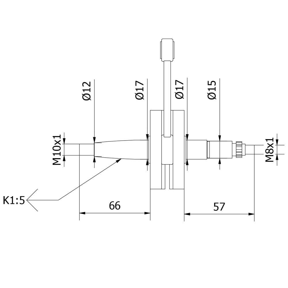
Tekniska data:
Nållager: 12x15x14 (för 12mm kolvbult) (590955)
Kona för svänghjul: Konicitet 1:5 (ingångsdiameter ~12mm)
Gänga svänghjulsida: M10x1
Gänga transmissionssida: M8x1
Krysskil, svänghjul: 3×3,7 (590200)
Slaglängd: 44mm (49cc)
Originalnummer: 350.7.10.015.0 (350.3.10.215.0)


















